Wybór odpowiedniej wysokości montażu zlewu gospodarczego to kluczowa decyzja, która wpływa na komfort i funkcjonalność każdego pomieszczenia. Ten artykuł dostarczy Ci precyzyjnych wytycznych i praktycznych porad, dzięki którym zainstalujesz zlew w sposób ergonomiczny i zgodny ze standardami, unikając najczęstszych błędów.
Optymalna wysokość montażu zlewu gospodarczego to klucz do komfortu i funkcjonalności
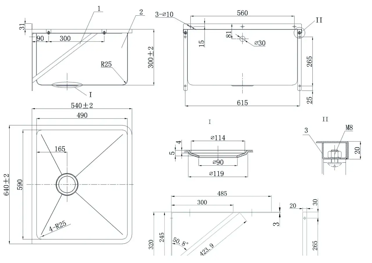
- Standardowa wysokość górnej krawędzi zlewu: 85-95 cm od gotowej podłogi.
- Dostosuj wysokość do wzrostu głównego użytkownika (wyżsi >95 cm, niżsi ~85 cm).
- Odpływ ścienny: 40-50 cm od podłogi.
- Zawory wody (ciepła/zimna): 45-55 cm od posadzki.
- Zwróć uwagę na przeznaczenie zlewu (np. napełnianie wiader, pranie ręczne).
- Mierzyć zawsze od gotowej podłogi do górnej krawędzi komory zlewu.

Dlaczego idealna wysokość zlewu gospodarczego to klucz do wygody?
Fundamentalne znaczenie prawidłowej wysokości montażu zlewu gospodarczego dla komfortu i zdrowia użytkownika jest często niedoceniane. To nie tylko kwestia estetyki, ale przede wszystkim ergonomii i funkcjonalności, która bezpośrednio przekłada się na nasze codzienne samopoczucie podczas wykonywania obowiązków domowych czy warsztatowych.
Ergonomia w praktyce – uniknij bólu pleców i niewygodnej pozycji
Niewłaściwa wysokość zlewu to prosta droga do chronicznego bólu pleców, szyi i ramion. Kiedy zlew jest za nisko, zmusza nas do ciągłego schylania się, co obciąża kręgosłup. Z kolei zbyt wysoki montaż wymusza nienaturalne unoszenie rąk, prowadząc do zmęczenia mięśni. Odpowiednie dopasowanie wysokości pozwala na utrzymanie naturalnej postawy ciała podczas wykonywania różnorodnych czynności, takich jak mycie, płukanie czy napełnianie pojemników. To inwestycja w Twoje zdrowie i mniejsze zmęczenie na co dzień.
Funkcjonalność na co dzień – od mycia narzędzi po napełnianie wiader
Optymalna wysokość zlewu znacząco wpływa na jego praktyczność. Ułatwia ona wykonywanie różnorodnych zadań od mycia brudnych narzędzi ogrodowych, przez płukanie akcesoriów domowych, po wygodne napełnianie dużych wiader czy ręczne pranie. Odpowiednia wysokość zapobiega też nadmiernemu rozpryskiwaniu wody, co sprawia, że praca jest mniej uciążliwa i bardziej efektywna.
Jaka jest standardowa wysokość montażu zlewu gospodarczego? Poznaj oficjalne zalecenia
Istnieją ogólnie przyjęte standardy, które pomagają ustalić optymalną wysokość montażu zlewu gospodarczego. Pozwalają one na zapewnienie komfortu większości użytkowników, stanowiąc jednocześnie punkt wyjścia do indywidualnych modyfikacji.
Złoty standard: 85-95 cm – co mówi norma europejska?
Zgodnie z europejskimi normami i powszechną praktyką w Polsce, górna krawędź zlewu gospodarczego powinna znajdować się na wysokości od 85 cm do 95 cm od gotowej podłogi. Ten przedział jest uznawany za optymalny dla większości dorosłych użytkowników, zapewniając wygodną pracę bez konieczności nadmiernego schylania się. Jest to uniwersalny punkt wyjścia do dalszych, indywidualnych dostosowań.
Od czego dokładnie mierzyć? Kluczowa jest górna krawędź komory
Precyzyjne mierzenie jest kluczowe dla uniknięcia błędów. Pomiaru wysokości montażu dokonujemy zawsze od gotowej posadzki (podłogi) do górnej krawędzi komory zlewu. Jest to najważniejszy wymiar, który decyduje o ergonomii pracy, niezależnie od głębokości samej komory.

Jak precyzyjnie dopasować wysokość zlewu do swoich potrzeb?
Standardowe wytyczne to świetny punkt startowy, ale prawdziwy komfort zapewnia indywidualne dopasowanie wysokości zlewu. Oto kilka praktycznych wskazówek, jak to zrobić.
Test "przymiarki" – prosta metoda na znalezienie idealnej wysokości dla Twojego wzrostu
Najlepszym sposobem na znalezienie idealnej wysokości jest prosta metoda "przymiarki". Stań przed miejscem, gdzie ma być zamontowany zlew, i wyobraź sobie wykonywanie typowych czynności. Twoje ręce powinny swobodnie sięgać dna zlewu bez nadmiernego schylania, a łokcie powinny być lekko zgięte. Dla osób wyższych komfortowa może być wysokość bliższa 95 cm lub nawet nieco wyższa, a dla niższych użytkowników bardziej odpowiednia będzie wysokość w okolicach 85 cm lub minimalnie niższa.
Analiza przeznaczenia: inna wysokość do pralni, inna do warsztatu
Przeznaczenie zlewu ma niebagatelny wpływ na optymalną wysokość montażu. Rozważ, do czego będziesz go najczęściej używać:
- Pralnia: Jeśli zlew będzie używany głównie do prania ręcznego, niższy montaż (np. 80-85 cm) może okazać się wygodniejszy, zmniejszając obciążenie ramion i pleców.
- Warsztat/Garaż: Jeśli zlew ma służyć do mycia wysokich narzędzi lub napełniania dużych wiader, upewnij się, że bateria ścienna lub stojąca zostanie zamontowana na odpowiedniej wysokości, umożliwiając swobodne podstawienie naczynia.
Głębokość komory a finalna wysokość – o czym warto pamiętać?
Nie zapominaj o wpływie głębokości komory zlewu na odczuwalną wysokość pracy. Bardzo głęboki zlew zamontowany na standardowej wysokości może wymagać większego schylania się. W takich przypadkach, dla zachowania ergonomii, warto rozważyć montaż zlewu nieco wyżej niż standardowo, aby dno komory znajdowało się na optymalnej wysokości roboczej.
Kluczowe wymiary instalacji, czyli co hydraulik musi wiedzieć wcześniej?
Prawidłowy montaż zlewu to nie tylko jego wysokość, ale także odpowiednie przygotowanie przyłączy wodno-kanalizacyjnych. Wcześniejsze zaplanowanie tych elementów jest kluczowe dla sprawnego funkcjonowania instalacji.
Na jakiej wysokości przygotować odpływ? Optymalny przedział to 40-50 cm
Rura odpływowa ze ściany powinna znajdować się na wysokości od 40 cm do 50 cm od gotowej podłogi. Pozwala to na prawidłowe podłączenie syfonu, zapewnia odpowiedni spadek dla swobodnego odpływu wody i minimalizuje ryzyko zatorów. Według danych meblekuchenneanna.pl, prawidłowa wysokość odpływu jest kluczowa dla bezproblemowej eksploatacji.
Gdzie umieścić zawory wody ciepłej i zimnej? Zalecane 45-55 cm
Zalecana wysokość montażu zaworów dla zimnej i ciepłej wody to około 45-55 cm od posadzki. Ta wysokość jest optymalna zarówno dla łatwego podłączenia baterii, jak i dla ewentualnego dostępu serwisowego do zaworów w przyszłości. Pamiętaj, aby zawory nie kolidowały z syfonem ani innymi elementami pod zlewem.
Wysokość montażu baterii – jak zapewnić sobie swobodę ruchów?
Wysokość montażu baterii, zwłaszcza modeli ściennych, powinna zapewniać swobodę ruchów i możliwość podstawienia pod nią nawet wysokich naczyń czy wiader. W przypadku baterii stojących, zwróć uwagę na ich wysokość i zasięg wylewki, aby były proporcjonalne do głębokości i rozmiaru komory zlewu.
Najczęstsze błędy przy ustalaniu wysokości zlewu – tego musisz unikać!
Nawet najlepsze chęci mogą prowadzić do błędów, jeśli nie będziemy świadomi najczęściej popełnianych pomyłek przy montażu zlewu gospodarczego. Oto, czego należy unikać, aby cieszyć się komfortem i funkcjonalnością przez lata.
Błąd 1: Zbyt niski montaż i jego konsekwencje dla kręgosłupa
Montaż zlewu zbyt nisko to prosta droga do problemów z kręgosłupem. Zmusza użytkownika do ciągłego schylania się, co prowadzi do nadmiernego obciążenia pleców, szyi i ramion. Długotrwałe przyjmowanie niewygodnej pozycji może skutkować poważnymi dolegliwościami zdrowotnymi i znacząco obniżyć komfort użytkowania.
Błąd 2: Zbyt wysoki montaż utrudniający codzienne czynności
Z kolei zbyt wysoki montaż zlewu utrudnia dostęp do dna komory, zwłaszcza osobom niższego wzrostu. Może wymagać podnoszenia rąk na nienaturalną wysokość, powodując zmęczenie ramion i barków. Dodatkowo, zbyt wysoki zlew może sprawić, że woda będzie rozpryskiwać się poza jego obręb, zwiększając bałagan i ryzyko poślizgnięcia się.
Przeczytaj również: Jak zamontować zlew w kuchni bez błędów - krok po kroku do sukcesu
Błąd 3: Ignorowanie wysokości odpływu, czyli przepis na problemy z syfonem
Zaniedbanie prawidłowej wysokości odpływu ściennego to krytyczny błąd, który może prowadzić do szeregu problemów. Zbyt wysoki odpływ może uniemożliwić prawidłowe działanie syfonu, skutkując wolnym odpływem wody, gromadzeniem się osadów i cofaniem się nieprzyjemnych zapachów. Zbyt niski odpływ może z kolei utrudnić prawidłowe podłączenie syfonu. Pamiętaj, że prawidłowa wysokość odpływu (40-50 cm od podłogi) jest niezbędna dla bezproblemowego i higienicznego użytkowania zlewu.
